Да возьми сколько совесть позволяет. мне кажется считать иконки или строчки это как-то по пиндосски что-ли. Посмотри на клиента, взвесь свои потраченные нервы и оцени работу и всЁ.
Этот топик читают: Гость
|
Ответов: 221
Рейтинг: 2
|
|||
| карма: 0 |
|
|
Ответов: 1309
Рейтинг: 49
|
|||
|
zhorik5, это сильно субъективно. И долго. Не хочу ни дешевить, демпинговать, ни лезть в карман комуто. А по нервам - 2 бессонные ночи уже. Потому как начинаю кодить после работы и не могу остановиться увлекаясь до утра, часов 4-х..) Когда-нибудь Хиасм меня убьет, можете на могиле кубик компонента поставить)) Только вот какого, пусть это будет самый ходовой - Memory))
--- Добавлено в 2019-02-09 23:20:55 Кстати, когда я объявил клиенту о 2-х кратном сокращении цены, он настоял на старой цене) Ну чтож, спасибо ему) В принципе он прав, ведь чтобы соединить 2 точки, надо сначала найти эту точку, вспомнить ее функционал, попасть на нее мышкой и потом тянуть линию к второй точке) То есть налицо все же 2 операции, хотя функционал достигается единичный. Редактировалось 1 раз(а), последний 2019-02-09 23:20:55 |
|||
| карма: 3 |
|
|
Ответов: 1309
Рейтинг: 49
|
|||
|
Подписание своих программ цифровой подписью - . кто-нибудь знает и пробовал как это просто осуществить? Чтобы фильтр Smart Screen винды не ругался что файл подозрительный и непроверенный издатель?
Нагел вот это, для самоподписанмя, но как я понял, не сильно это им помогает. https://forum.antichat.ru/thread/184368/ Редактировалось 1 раз(а), последний 2019-02-10 00:43:18 |
|||
| карма: 3 |
|
|
Ответов: 1309
Рейтинг: 49
|
|||
|
Получил сегодня 5000 руб за прогу что писал урывками больше месяца..
All: 1528, sdk: 82, MultiElements: 40, Core: 248, links: 3, points: 4756 Немного философского оффтопа).. Попросили записать видеосправку к заказанной программе - забавно получается - записываешь видео, оно получается в стиле "И джинсы превращаются..", "Сейчас я нажму на эту кнопку и будет вот это.. Ой..", находишь баги, правишь, снова записываешь и снова их находишь)) А без видео, нет эффекта наблюдателя, нет и багов.. Ночное програмирование - источник большинства багов. В некоторых местах тупо забывал добавить нужные элементы. Но там логика была непростая - Надо было отображать только отмеченные галочками в таблице категории, внутри которых в свою очередь тоже отмеченные галочками подкатегории, плюс разделять блоки текста и адреса картнок.. Вот формат главного файла программы и его примерная структура данных.. <con>1;1</con> <on>1;1;1</on><cat>Набор аффирмаций 1</cat><txt>Аффирмация 1 - 1;Аффирмация 1 - 2;Аффирмация 1 - 3</txt><pth>D:\HP_Probook\Docs\Hiasm\Projects\фотки\1.jpg;D:\HP_Probook\Docs\Hiasm\Projects\фотки\2.jpg;D:\HP_Probook\Docs\Hiasm\Projects\фотки\3.jpg</pth><cnt>3</cnt> <on>1</on><cat>Набор аффирмаций 2</cat><txt>Аффирмация 2 - 1</txt><pth>D:\HP_Probook\Docs\Hiasm\Projects\фотки\Cat.jpg</pth><cnt>1</cnt> Форум делает переносы строк. А в оригинале каждая строка начинается с тега <on> Редактировалось 3 раз(а), последний 2019-03-11 05:06:10 |
|||
| карма: 3 |
|
|
Ответов: 16884
Рейтинг: 1240
|
|||
|
Да...
Эзотерика... Aziz писал(а): Но там логика была непростая - Надо было отображать только отмеченные галочками в таблице категории, внутри которых в свою очередь тоже отмеченные галочками подкатегории, плюс разделять блоки текста и адреса картнок..Даже со списками облапошенных клиентов и сумм полученных от них. |
|||
| карма: 25 |
|
|
Ответов: 1309
Рейтинг: 49
|
|||
|
Tad, там много красивостей и функционала внутри - автосайзы картинок и текста, разные настройки и тп. Сам функционал голый я набросал за 2-3 дня. А как дошло дело до юзабилити и дизайна.. Затянулось на месяц. Насчет обмана клиентов я бы так никогда не поступал и мне это чуждо, не знаю как вам.. Конечно можно научиться компактно писать как Неско или Ник, но это надо быть программистом, и Nesco, а я не программист и не Nesco))..
БД отпадает тк мне нужен был свой формат файла, читабельный изнутри в текстовом виде. Короче, схему не дам) Можете шипеть сколько угодно)) Редактировалось 4 раз(а), последний 2019-03-11 10:41:58 |
|||
| карма: 3 |
|
|
Разработчик
Ответов: 26343
Рейтинг: 2149
|
|||
|
Aziz писал(а): но это надо быть программистом, и NescoА откуда инфа, что я -- программист? |
|||
| карма: 23 |
|
|
Ответов: 1309
Рейтинг: 49
|
|||
|
Ну по крайней мере в сравнении со мной. Я вообще далек от кода и логического мышления)
|
|||
| карма: 3 |
|
|
Ответов: 16884
Рейтинг: 1240
|
|||
|
Aziz писал(а): Насчет обмана клиентов я бы так никогда не поступал и мне это чуждоAziz писал(а): Короче, схему не дамДа я её вроде и не просил. |
|||
| карма: 25 |
|
|
Ответов: 1309
Рейтинг: 49
|
|||
|
Tad, ну а как еще понимать вот это как не прозрачный намек? :
Даже со списками облапошенных клиентов и сумм полученных от них Или ты имешь ввиду что заказчики ее продадут и облапошат? Нет, прога идет как бесплатный бонус.. --- Добавлено в 2019-03-11 11:22:54 Немного фильмов ужасов)): Редактировалось 4 раз(а), последний 2019-03-11 12:07:56 |
|||
| карма: 3 |
|
|
Ответов: 16884
Рейтинг: 1240
|
|||
|
Tad писал(а): А я и не про тебя. Я про пользователя твоей программы.ЭТО НЕ ПРО ТЕБЯ. ЭТО ПРО ПОЛЬЗОВАТЕЛЯ ( ЗАКАЗЧИКА ). Редактировалось 1 раз(а), последний 2019-03-11 11:40:33 |
|||
| карма: 25 |
|
|
Ответов: 1309
Рейтинг: 49
|
|||
|
Tad, понял уже) полегчало)
|
|||
| карма: 3 |
|
|
Разработчик
Ответов: 26343
Рейтинг: 2149
|
|||
|
Aziz писал(а): Нет, прога идет как беспланый бонус..Это нах какой-то ужос Ну кто тебе мешает поставить link_tracer от Galkov-a и рисовать красивые схемы? Для себя же приятнее, когда схема радует глаз. |
|||
| карма: 23 |
|
|
Ответов: 1309
Рейтинг: 49
|
|||
|
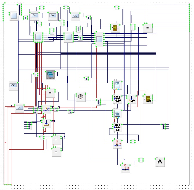
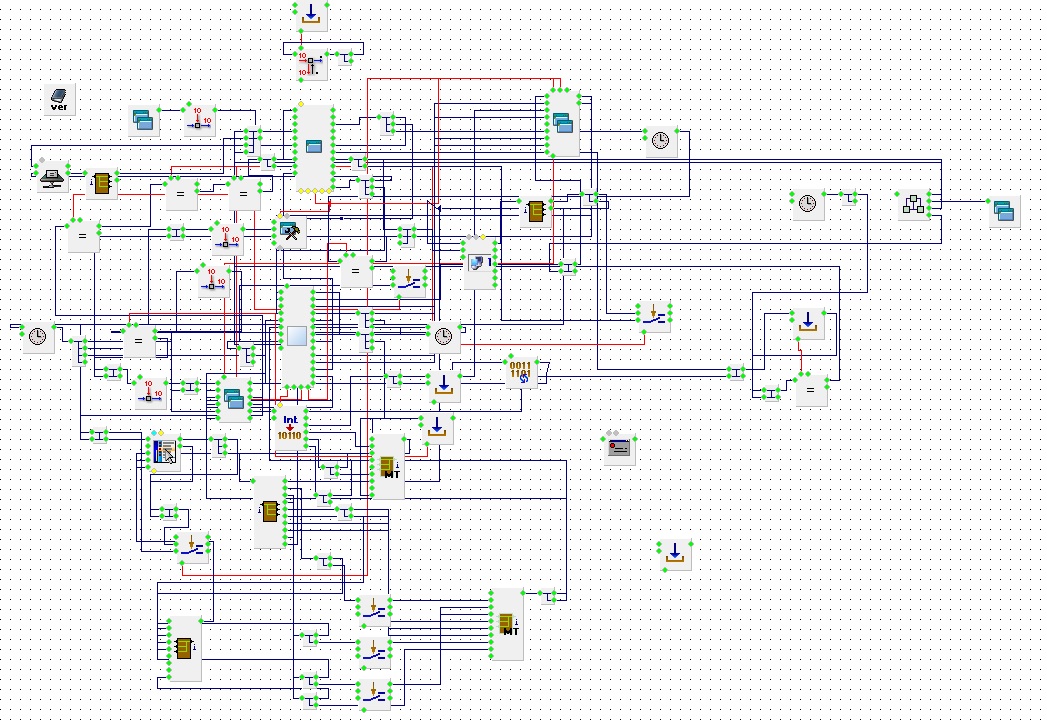
nesco, я его выключил) Уж очень больно некомпактно он раскидывает провода.. Тогда вообще белого места в редакторе не останется. Спасибо за оценку моего скромного труда)) Но мои схемы никогда не отличались читабельностью, тк сгорая в огне творчества, просто некогда аккуратно топологию продумывать. Просто схватил линк и кидаешь куда надо..
--- Добавлено в 2019-03-11 12:32:25 Учитывая еще что работа велась по ночам в полу-сомнамбулическом состоянии) Тут уже не до красивостей. Максимум самые запутанные линки раздвинул и удалил лишние точки и неиспользуемые после экспериментов компоненты. Редактировалось 3 раз(а), последний 2019-03-11 12:32:25 |
|||
| карма: 3 |
|
|
Ответов: 16884
Рейтинг: 1240
|
|||
|
nesco писал(а): Это нах какой-то ужос За "то слово" забанить могут. |
|||
| карма: 25 |
|



Поиск
Друзья
Администрация